更新:2007 年 11 月
m×n 矩阵是排列在 m 行和 n 列中的一系列数。下图显示几个矩阵。
.gif)
您可以通过将单个元素相加来加合两个尺寸相同的矩阵。下图显示了两个矩阵相加的示例。
.gif)
m×n 矩阵可与一个 n×p 矩阵相乘,结果为一个 m×p 矩阵。第一个矩阵的列数必须与第二个矩阵的行数相同。例如,一个 4×2 矩阵与一个 2×3 矩阵相乘,产生一个 4×3 矩阵。
矩阵的行列的平面点可视为矢量。例如,(2, 5) 是具有两个组件的矢量,(3, 7, 1) 是具有三个组件的矢量。两个矢量的点积定义如下:
(a, b) • (c, d) = ac + bd
(a, b, c) • (d, e, f) = ad + be + cf
例如,(2, 3) 和 (5, 4) 的点积是 (2)(5) + (3)(4) = 22。(2, 5, 1) 和 (4, 3, 1) 的点积是 (2)(4) + (5)(3) + (1)(1) = 24。请注意,两个矢量的点积是数字,而不是另一个矢量。另外请注意,只有当两个矢量的组件数相同时,才能计算点积。
将 A(i, j) 作为矩阵 A 中第 i 行、第 j 列的项。例如,A(3, 2)是矩阵 A 中第 3 行、第 2 列的项。假定 A、B 和 C 是矩阵,且 AB = C,则 C 的项计算如下:
C(i, j) =(A 的第 i 行)•(B 的第 j 列)
下图显示了矩阵相乘的几个示例。
.gif)
如果将平面中的点视为 1×2 矩阵,则可通过将该点乘以一个 2×2 矩阵来将该点变换。下图显示了应用于点 (2, 1) 的几个变换。
.gif)
前图中显示的所有变换都是线性变换。某些其他变换(如平移)不是线性的,不能表示为与 2×2 矩阵相乘的形式。假定您要从点 (2, 1) 开始,将其旋转 90 度,在 x 方向将其平移 3 个单位,在 y 方向将其平移 4 个单位。可通过先使用矩阵乘法再使用矩阵加法来完成此操作。
.gif)
后面跟一平移(与 1×2 矩阵相加)的线性变换(与 2×2 矩阵相乘)称为仿射变换。将仿射变换存储于一对矩阵(一个用于线性部分,一个用于平移)的替换方案是将整个变换存储于 3×3 矩阵。若要使其起作用,平面上的点必须存储于具有虚拟第三坐标的 1×3 矩阵中。通常的方法是使所有的第三坐标等于 1。例如,矩阵 [2 1 1] 代表点 (2, 1)。下图演示了表示为与单个 3×3 矩阵相乘的仿射变换(旋转 90 度;在 x 方向上平移 3 个单位,在 y 方向上平移 4 个单位)。
.gif)
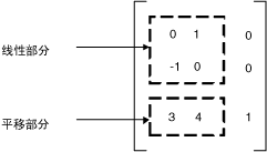
在前面的示例中,点 (2, 1) 映射到了点 (2, 6)。请注意,3×3 矩阵的第三列包含数字 0,0,1。对于仿射变换的 3×3 矩阵而言,情况将总是如此。重要的数字是列 1 和列 2 中的 6 个数字。矩阵左上角的 2×2 部分表示变换的线性部分,第 3 行中的前两项表示平移。
.gif)
在 GDI+ 中,可以在 Matrix 对象中存储仿射变换。由于表示仿射变换的矩阵的第三列总是(0,0,1),因此在构造 Matrix 对象时,只需指定前两列中的 6 个数。Matrix myMatrix = new Matrix(0, 1, -1, 0, 3, 4) 语句构造上面图形中显示的矩阵。
复合变换
复合变换是一个接一个的变换序列。请考虑下面列表中的矩阵和变换:
矩阵 A |
旋转 90 度 |
矩阵 B |
在 x 方向上缩放 2 倍 |
矩阵 C |
在 y 方向上平移 3 个单位 |
如果从由矩阵 [2 1 1] 表示的点 (2, 1) 开始,并先后乘以 A、B、C,则点 (2, 1) 将按列出的顺序经历三种变换。
[2 1 1]ABC = [-2 5 1]
可以不将复合变换的三部分存储于三个独立的矩阵,而是一起乘以 A、B 和 C 来得到存储整个复合变换的单个的 3×3 矩阵。假定 ABC = D。则一个点乘以 D 得出的结果与一个点先后乘以 A、B、C 的结果相同。
[2 1 1]D = [-2 5 1]
下图显示了矩阵 A、B、C 和 D。
.gif)
复合变换的矩阵可通过将几个单独的变换矩阵相乘而得到,这就意味着任何仿射变换的序列均可存储于单个的 Matrix 对象中。
警告: |
|---|
复合变换的顺序非常重要。一般说来,先旋转、再缩放、然后平移,与先缩放、再旋转、然后平移是不同的。同样,矩阵相乘的顺序也是重要的。一般说来,ABC 与 BAC 不同。 |
Matrix 类提供了几种构建复合变换的方法:Multiply、Rotate、RotateAt、Scale、Shear 和 Translate。下面的示例创建了复合变换(先旋转 30 度,再在 y 方向上缩放 2 倍,然后在 x 方向平移 5 个单位)的矩阵。
Dim myMatrix As New Matrix()
myMatrix.Rotate(30)
myMatrix.Scale(1, 2, MatrixOrder.Append)
myMatrix.Translate(5, 0, MatrixOrder.Append)
Matrix myMatrix = new Matrix();
myMatrix.Rotate(30);
myMatrix.Scale(1, 2, MatrixOrder.Append);
myMatrix.Translate(5, 0, MatrixOrder.Append);
下图显示该矩阵。
.gif)
警告: